LV020-RS232简介
一、RS232简介
RS232是美国电子工业协会( Electronic Industries Association, EIA) 于1962年发布的串行通信接口标准,其中RS为英文“ Recomend Standard”的缩写, 中文翻译为“ 推荐标准”, 232为标识号。该标准对串行通信的物理接口及逻辑电平都做了规定, 其输出的电平称为RS232电平。早期常见于个人计算机上,是计算机通讯接口之一。现如今在个人计算机上已比较少见, 但在一些工控设备依旧比较多。
最简单的RS232通信由三条数据线组成,即TXD、 RXD和GND。 RS232采用负逻辑电平,即-15V ~ -3V代表逻辑“ 1”, +3V ~ +15V代表逻辑“ 0”。这里的电平,是TxD线(或者RxD线)相对于GND的电压。RS232最长传输距离为15米,通常采用DB9接口, 有公母之分, 该接口如下图:

它其实是串口的另外一种接口标准,本质上还是串口,所以我们在使用RS232的时候一般只需要实现串口就可以啦。 在习惯上,通常说的串口,是指MCU引脚引出来的的UART,也就是TTL电平。 UART可直连其它MCU或模块的UART,或者UART转USB连接电脑,又或者UART转RS232/RS485远距离传输。这里的转换是转换芯片自动实现的,无需用户程序干预。
二、针脚定义
DB9有9个针脚, 通常RS232只需要TXD、 RXD和GND即可, 引脚定义如下:
| 引脚号 | 定义 | 符号 | 备注 |
|---|---|---|---|
| 1 | 载波检测 | DCD( Data Carrier Detect) | —— |
| 2 | 接收数据 | RXD( Received Data) | RS232接收 |
| 3 | 发送数据 | TXD( Transmit Data) | RS232发送 |
| 4 | 数据终端准备好 | DTR( Data Terminal Ready) | —— |
| 5 | 信号地 | GND( Signal Ground) | RS232接地 |
| 6 | 通讯设备准备好 | DSR( Data Set Ready) | —— |
| 7 | 请求发送 | RTS( Request To Send) | —— |
| 8 | 允许发送 | CTS( Clear To Send) | —— |
| 9 | 响铃提示器 | RI( Ring Indicator) | —— |
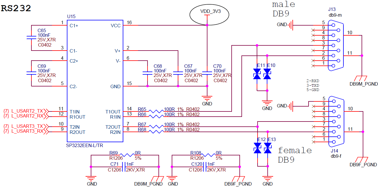
三、硬件参考电路
这里我截取了两个不同的平台的RS232的硬件设计电路,看他们的资料的话就有,其实都是一样的。
- 平台一

- 平台二

四、软件设计
一般来说,硬件设计好后,软件方面只需要实现串口UART就好了,一般参考步骤如下:
(1)初始化USART1、 2、 3:设置波特率,收发选择,有效数据位等;
(2)将所使用的串口引脚初始化: USART使能、 GPIO端口时钟使能、 GPIO引脚设置为USART复用;
(3) RS232采用中断方式发送, 编写中断回调函数;
(4)主函数编写控制逻辑。