LV055-LCD时序分析
来学习一下 LCD 的时序?若笔记中有错误或者不合适的地方,欢迎批评指正 😃。
一、我使用的 LCD 屏
1. 硬件原理图
ALPHA 底板载了 RGB LCD 接口,此部分电路如图 :

RGBLCD 就是 RGB LCD 接口,采用 RGB888 数据格式,并支持触摸屏(支持电阻屏和电容屏)。该接口仅支持 RGB 接口的液晶(不支持 MCU 接口的液晶),目前正点原子的 RGB 接口 LCD 模块有: 4.3 寸(ID: 4342, 480*272 和 ID: 4384, 800*480)、 7 寸(ID: 7084, 800*480 和 ID: 7016, 1024*600)和 10 寸(ID: 1018, 1280*800)等尺寸可选。
2. ATK-MD0430R 模块
2.1 模块简介
我使用的是 800*480 的 4.3 寸屏:

该模块 不带控制器,所以只能用于那些自带显示控制器的 MCU 或者 CPU,比如 ST 的 STM32F4x9, STM32F7x6 和 STM32H7x3 等。该 模块没显存,所以在使用的时候需要提供外部 RAM 来作为显示屏的显存。模块采用电容触摸屏,支持 5 点同时触摸,具有非常好的操控效果。ATK-MD0430R 模块还提供了背光控制功能。各项参数如下:
| 项目 | 说明 |
|---|---|
| 接口类型 | LCD:并行 24 位 RGB 接口 触摸屏: IIC |
| 颜色格式 | RGB888(也可以用 RGB565) |
| 颜色深度 | 最大 24 位 |
| 显存容量 | 无显存 1 |
| LCD 分辨率 | 480*272 或 800*480 |
| 触摸屏类型 | 电容触摸 |
| 触摸点数 | 最多 5 点同时触摸 |
| 工作温度 | -20℃~70℃ |
| 存储温度 | -30℃~80℃ |
| 外形尺寸 | 68mm*118mm |
在使用的时候需要提供外部 RAM 来作为 LCD 的显存!
| 项目 | 说明 |
|---|---|
| 电源电压 | 5± 0.5V |
| IO 口电平 | 3.3V LVTTL |
| 功耗 | ATK-DM0430R-480232: 40~165mA; ATK-DM0430R-800480: 120~320mA |
注 1: 3.3V 系统,可以直接接本模块(供电必须 5V),如果是 5V 系统,建议串接 100R 左右电阻,做限流处理。
注 2: 40mA 和 120mA 对应背光关闭时的功耗, 165mA 和 320mA 对应背光最亮时的功耗,此数据是在电源电压为 5V 时测出的,实际应用中功耗会由于电源电压的波动而略微变化。
2.2 引脚说明
模块通过 40P FPC 接口同外部连接,各引脚的详细描述如表 :
| 序号 | 名称 | 说明 |
|---|---|---|
| 1,2 | VCC5 | 5V 电源输入引脚。 |
| 3~10 | R0~R7 | 8 位 RED 数据线。 |
| 11 | GND | 地线。 |
| 12~19 | G0~G7 | 8 位 GREEN 数据线。 |
| 20 | GND | 地线 |
| 21~28 | B0~B7 | 8 位 BLUE 数据线。 |
| 29 | GND | 地线。 |
| 30 | CLK | 像素时钟。 |
| 31 | HSYNC | 水平同步信号。 |
| 32 | VSYNC | 垂直同步信号。 |
| 33 | DE | 数据使能信号。 |
| 34 | BL | 背光控制信号。 |
| 35 | CS | 电容触摸屏复位信号(CT_RST) |
| 36 | MOSI | 电容触摸屏 IIC_SDA 信号(CT_SDA) |
| 37 | MISO | NC,电容触摸屏未用到 |
| 38 | SCK | 电容触摸屏 IIC_SCL 信号(CT_SCL) |
| 39 | PEN | 电容触摸屏中断信号(CT_INT) |
| 40 | RESET | LCD 复位信号(低电平有效) |
从上表可以看出, LCD 控制器总共需要 29 个 IO 口驱动(RGB888 格式),电容触摸屏需要 4 个 IO 口驱动,这样整个模块需要 33 个 IO 口驱动。注意:该模块的数据线 R7、 G7 和 B7 可以用于区分 RGB 屏的类型(可以看做是 ID)。MCU 在初始化 RGB 屏参数之前,先读取 R7/G7/B7 的状态,从而判断 RGB 屏类型,对应关系如表 :
| M2(B7) | M1(G7) | M0(R7) | RGBLCD 模块参数 |
|---|---|---|---|
| 0 | 0 | 0 | 4.3 寸, 480*272 分辨率(RGB) |
| 0 | 0 | 1 | 7 寸, 800*480 分辨率(RGB) |
| 0 | 1 | 0 | 7 寸, 1024*600 分辨率(RGB) |
| 0 | 1 | 1 | 7 寸, 1280*800 分辨率(RGB) |
| 1 | 0 | 0 | 4.3 寸, 800*480 分辨率(RGB) |
| 1 | 0 | 1 | 10.1 寸 1280*800 分辨率(RGB) |
| X | X | X | 暂时未用到 |
由表可知,我们可以通过读取 R7/G7/B7 来判断 LCD 的尺寸和分辨率,从而使得 MCU 可以在同一个程序里面,兼容不同尺寸和分辨率的 RGB 屏。 从表可知, ATK-MD0430R-480272 屏幕 ID 为 000,而 ATK-MD0430R-800480 屏幕 ID 为 100。
2.3 接口时序表
ATK-MD0430R-800480 模块采用 24 位并行 RGB 接口, 该接口的时序如表 :

fclk、 Tvb、 Tvfp、 Thbp、 Thfp 这五个参数很重要, 在写驱动程序的时候会使用其配置 RGBLCD 的时序。ATK-MD0430R-800480 模块的输入信号特性如表 :

最重要的两个参数就是 Thwh 和 Tvwh,这两个就是 hsw 和 vsw, 在写程序的时候需要用到。
3. 芯片手册
这个模块的裸屏规格书是这个 WKS43235。这里有个在线的:4.3 寸 800480 裸屏规格书.pdf-原创力文档(或者看我的仓库:WKS43235_SPEC_V0.0.doc)。规格书里面没有写这个 LCD 屏幕使用的驱动 IC:

不过模块资料里面给了 ST7262 的芯片手册,这里有一个在线的芯片手册: ST7262(或者看我的仓库:ST7262)。这个应该是用于驱动裸屏的把。时序也可以在这个芯片手但是册中找到(但是吧,上面的时序相关的表和这个芯片的手册貌似有点对不上,我也不搞不懂了,但是提供的资料里面的裸屏 IC 驱动芯片的芯片手册就是这个,反正原理都类似)。
二、LCD 时序分析
1. 时间参数
先来看一下下面的一张图:

如果将 LCD 显示一帧图像的过程想象成绘画,那么在显示的过程中就是用一根“笔”在不同的像素点画上不同的颜色。这根笔按照从左至右、从上到下的顺序扫描每个像素点,并且在像素画上对应的颜色,当画到最后一个像素点的时候一幅图像就绘制好了。 我们来看一下 LCD 是怎么扫描显示一帧图像的。
1.1 水平同步信号 HSYNC
一帧图像也是由一行一行组成的。 HSYNC 是水平同步信号,也叫做 行同步信号,当产生此信号的话就表示开始显示新的一行了,所以此信号都是在图的最左边。它表示液晶屏一行像素数据的传输结束,每传输完成液晶屏的一行像素数据时, HSYNC 会发生电平跳变,如分辨率为 800x480 的显示屏(800 列,480 行),传输一帧的图像 HSYNC 的电平会跳变 480 次。
1.2 垂直同步信号 VSYNC
VSYNC 信号是垂直同步信号,也叫做 帧同步信号,当产生此信号的话就表示开始显示新的一帧图像了 。垂直同步信号 VSYNC(Vertical Sync)用于表示液晶屏一帧像素数据的传输结束,每传输完成一帧像素数据时, VSYNC 会发生电平跳变。其中“帧”是图像的单位,一幅图像称为一帧,在液晶屏中,一帧指一个完整屏液晶像素点。 我们常常用“帧/秒”来表示液晶屏的刷新特性,即液晶屏每秒可以显示多少帧图像,如液晶屏以 60 帧/秒的速率运行时, VSYNC 每秒钟电平会跳变 60 次。
1.3 HBP、 HFP、 VBP 和 VFP
接下来看这四个参数。其实上面的那张图不是很明显,我们看下这张:

和上面是一样的,只是,多了一圈“黑边”。真正有效的显示区域是中间的白色部分。那这一圈“黑边”是什么东西呢?这就要从显示器的“祖先” CRT 显示器开始说起了, CRT 显示器就是以前很常见的那种大屁股显示器,在现在应该很少见了,如果在农村有可能应该还是可以见到的。
CRT 显示器屁股后面是个电子枪,这个电子枪就是我们上面说的“画笔”,电子枪打出的电子撞击到屏幕上的荧光物质使其发光。只要控制电子枪从左到右扫完一行(也就是扫描一行),然后从上到下扫描完所有行,这样一帧图像就显示出来了。也就是说,显示一帧图像电子枪是按照‘Z’形在运动,当扫描速度很快的时候看起来就是一幅完成的画面了。
当显示完一行以后会发出 HSYNC 信号,此时电子枪就会关闭,然后迅速的移动到屏幕的左边,当 HSYNC 信号结束以后就可以显示新的一行数据了,电子枪就会重新打开。在 HSYNC 信号结束到电子枪重新打开之间会插入一段延时,这段延时就是图中的 HBP 。
当显示完一行以后就会关闭电子枪等待 HSYNC 信号产生,关闭电子枪到 HSYNC 信号产生之间会插入一段延时,这段延时就是图中的 HFP 信号。
同理,当显示完一帧图像以后电子枪也会关闭,然后等到 VSYNC 信号产生,期间也会加入一段延时,这段延时就是图中的 VFP。
VSYNC 信号产生,电子枪移动到左上角,当 VSYNC 信号结束以后电子枪重新打开,中间也会加入一段延时,这段延时就是图中的 VBP。
HBP、 HFP、 VBP 和 VFP 就是导致图中黑边的原因,但是这是 CRT 显示器存在黑边的原因,现在是 LCD 显示器,不需要电子枪了,那么为何还会有黑边?这是因为 RGB LCD 屏幕内部是有一个 IC 的,发送一行或者一帧数据给 IC, IC 是需要反应时间的。通过这段反应时间可以让 IC 识别到一行数据扫描完了,要换行了,或者一帧图像扫描完了,要开始下一帧图像显示了。因此,在 LCD 屏幕中继续存在 HBP、 HFP、 VPB 和 VFP 这四个参数的主要目的是为了 锁定有效的像素数据。
这四个时间是 LCD 重要的时间参数,后面编写 LCD 驱动的时候要用到的,至于这四个时间参数具体值是多少,那要需要去查看所使用的 LCD 数据手册了。
1.4 RGB LCD 屏幕时序
1.4.1 行显示时序
上面了解了行显示和帧显示,我们来看一下 行显示对应的时序图:

上图就是 RGB LCD 的行显示时序,我们来分析一下其中重要的几个参数:
- HSYNC:行同步信号,当此信号有效的话就表示开始显示新的一行数据,查阅所使用的 LCD 数据手册可以知道此信号是低电平有效还是高电平有效,假设此时是低电平有效。
- HSPW: 有些地方也叫做 thp,是 HSYNC 信号宽度,也就是 HSYNC 信号持续时间。 HSYNC 信号不是一个脉冲,而是需要持续一段时间才是有效的,单位为 CLK。
- HBP: 有些地方叫做 thb,前面已经学习过了,术语叫做行同步信号后肩,单位是 CLK。
- HOZVAL:有些地方叫做 thd,显示一行数据所需的时间,假如屏幕分辨率为 1024*600,那么 HOZVAL 就是 1024,单位为 CLK。
- HFP:有些地方叫做 thf,前面已经学习过了, 术语叫做行同步信号前肩,单位是 CLK。
- CLK:同步时钟信号 CLK,液晶屏与外部使用同步通讯方式,以 CLK 信号作为同步时钟,在同步时钟的驱动下,每个时钟传输一个像素点数据。
- DE:数据使能信号 DE(Data Enable)用于表示数据的有效性,当 DE 信号线为高电平时,RGB 信号线表示的数据有效。
当 HSYNC 信号发出以后,需要等待 HSPW+HBP 个 CLK 时间才会接收到真正有效的像素数据。当显示完一行数据以后需要等待 HFP 个 CLK 时间才能发出下一个 HSYNC 信号。
所以 显示一行所需要的时间 就是: HSPW + HBP + HOZVAL + HFP。
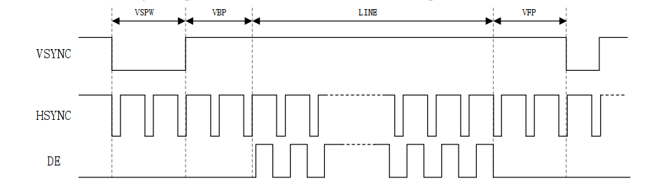
1.4.2 帧显示时序
一帧图像就是由很多个行组成的, RGB LCD 的帧显示时序 :

上图就是 RGB LCD 的帧显示时序,我们来分析一下其中重要的几个参数:
- VSYNC:帧同步信号,当此信号有效的话就表示开始显示新的一帧数据,查阅所使用的 LCD 数据手册可以知道此信号是低电平有效还是高电平有效,假设此时是低电平有效。
- VSPW: 有些地方也叫做 tvp,是 VSYNC 信号宽度,也就是 VSYNC 信号持续时间,单位为 1 行的时间。
- VBP: 有些地方叫做 tvb,前面已经学习过了,术语叫做帧同步信号后肩,单位为 1 行的时间。
- LINE: 有些地方叫做 tvd,显示一帧有效数据所需的时间,假如屏幕分辨率为 1024*600,那么 LINE 就是 600 行的时间。
- VFP: 有些地方叫做 tvf,前面已经学习过了,术语叫做帧同步信号前肩,单位为 1 行的时间。
显示一帧所需要的时间 就是: VSPW+VBP+LINE+VFP 个行时间,最终的计算公式:
T = (VSPW+VBP+LINE+VFP) * (HSPW + HBP + HOZVAL + HFP)2. 像素时钟
2.1 怎么计算?
像素时钟就是 RGB LCD 的时钟信号,以 ATK7016 这款屏幕为例:

显示一帧图像所需要的时钟数就是:
CLK_NUM = (VSPW+VBP+LINE+VFP) * (HSPW + HBP + HOZVAL + HFP)
= (3 + 20 + 600 + 12) * (20 + 140 + 1024 + 160)
= 635 * 1344
= 853440。显示一帧图像需要 853440 个时钟数,那么显示 60 帧就是: 853440 * 60 = 51206400≈51.2M,所以像素时钟就是 51.2MHz。
2.2 时钟怎么来的?
I.MX6U 是可以通过 eLCDIF 来控制 LCD, 这个 eLCDIF 控制器后面再说,想先来看一下 eLCDIF 接口时钟图:

①、此部分是一个选择器,用于选择哪个 PLL 可以作为 LCDIF 时钟源,由寄存器 CCM_CSCDR2 的位 LCDIF1_PRE_CLK_SEL(bit17:15)来决定, LCDIF1_PRE_CLK_SEL 选择设置如表
| 值 | 时钟源 |
|---|---|
| 0 | PLL2 作为 LCDIF 的时钟源。 |
| 1 | PLL3_PFD3 作为 LCDIF 的时钟源。 |
| 2 | PLL5 作为 LCDIF 的时钟源。 |
| 3 | PLL2_PFD0 作为 LCDIF 的时钟源。 |
| 4 | PLL2_PFD1 作为 LCDIF 的时钟源。 |
| 5 | PLL3_PFD1 作为 LCDIF 的时钟源。 |
②、 此部分是 LCDIF 时钟的预分频器,由寄存器 CCM_CSCDR2 的位 LCDIF1_PRED 来决定预分频值。 可设置值为 0~7,分别对应 1~8 分频。
③、 此部分进一步分频,由寄存器 CBCMR 的位 LCDIF1_PODF 来决定分频值。 可设置值为 0~7,分别对应 1~8 分频。
④、此部分是一个选择器,选择 LCDIF 最终的根时钟,由寄存器 CSCDR2 的位 LCDIF1_CLK_SEL 决定, LCDIF1_CLK_SEL 选择设置如表所示:
| 值 | 时钟源 |
|---|---|
| 0 | 前面复用器出来的时钟,也就是前面 PLL5 出来的时钟作为 LCDIF 的根时钟。 |
| 1 | ipp_di0_clk 作为 LCDIF 的根时钟。 |
| 2 | ipp_di1_clk 作为 LCDIF 的根时钟。 |
| 3 | ldb_di0_clk 作为 LCDIF 的根时钟。 |
| 4 | ldb_di1_clk 作为 LCDIF 的根时钟。 |
里肯定选择 PLL5 出来的那一路时钟作为 LCDIF 的根时钟,因此 LCDIF1_CLK_SEL 设置为 0。 LCDIF 既然选择了 PLL5 作为时钟源,那么还需要初始化 PLL5, LCDIF 的时钟是由 PLL5 和图 24.1.1.8 中的 ②、③ 这两个分频值决定的,所以需要对这三个进行合理的设置以搭配出所需的时钟值,我们就以 ATK7016 屏幕所需的 51.2MHz 为例,看看如何进行配置。
PLL5 频率设置涉及到四个寄存器: CCM_PLL_VIDEO、 CCM_PLL_VIDEO_NUM、CCM_PLL_VIDEO_DENOM 、 CCM_MISC2 。 其 中 CCM_PLL_VIDEO_NUM 和 CCM_PLL_VIDEO_DENOM 这两个寄存器是用于小数分频的,我们这里为了简单不使用小数分频,因此这两个寄存器设置为 0。
PLL5 的时钟计算公式如下:
PLL5_CLK = OSC24M * (loopDivider + (denominator / numerator)) / postDivider不使用小数分频的话 PLL5 时钟计算公式就可以简化为 :
PLL5_CLK = OSC24M * loopDivider / postDividerOSC24M 就是 24MHz 的有源晶振,现在的问题就是设置 loopDivider 和 postDivider。先来看一下寄存器 CCM_PLL_VIDEO,此寄存器结构如图(参考手册的18.7.11 Analog Video PLL control Register):

寄存器 CCM_PLL_VIDEO 用到的重要的位如下:
- POST_DIV_SLECT(bit20:19): 此位和寄存器 CCM_ANALOG_CCMSC2 的 VIDEO_DIV 位共同决定了 postDivider,为 0 的话是 4 分频,为 1 的话是 2 分频,为 2 的话是 1 分频。本章设置为 2,也就是 1 分频。
- ENABLE(bit13): PLL5(PLL_VIDEO)使能位,为 1 的话使能 PLL5,为 0 的话关闭 PLL5。
- DIV_SELECT(bit6:0): loopDivider 值,范围为 27~54,这里需要设置为 32。寄存器 CCM_ANALOG_MISC2 的位 VIDEO_DIV(bit31:30)与寄存器 CCM_PLL_VIDEO 的位 POST_DIV_SLECT(bit20:19)共同决定了 postDivider,通过这两个的配合可以获得 2、 4、 8、16 分频。
这里将 VIDEO_DIV 设置为 0,也就是 1 分频,因此 postDivider 就是 1, loopDivider 设置为 32, PLL5 的时钟频率就是:
PLL5_CLK = OSC24M * loopDivider / postDivider
= 24M * 32 / 1
= 768MHz。PLL5 此时为 768MHz,在经过图中的 ② 和 ③ 进一步分频,设置 ② 中为 3 分频,也就是寄存器 CCM_CSCDR2 的位 LCDIF1_PRED(bit14:12)为 2。设置 ③ 中为 5 分频,就是寄存器 CCM_CBCMR 的位 LCDIF1_PODF(bit25:23)为 4。设置好以后最终进入到 LCDIF 的时钟频率就是: 768/3/5 = 51.2MHz,这就是我们需要的像素时钟频率。
3. LCD 时序参数总结
如下图所示(左右两张图中 HSYNC 和 VSYNC 有效电平是可配置的,具体看手册,高低都有可能,左右两张图对比参考):

| 时序 | 时间参数 | 其他名称 | 参数说明 |
| 行显示 | HSYNC (Horizontal Sync) | - | 行同步信号,一行像素数据的传输结束 |
| HSW (horizontal sync width) | HSPW、thp | HSYNC 信号宽度,就是水平同步信号的宽度,单位为同步时钟 CLK 的个数 | |
| HBP (horizontal back porch) | thb | 表示从水平同步信号开始到一行的有效数据开始之间的 CLK 的个数(在 HSYNC 信号结束到电子枪重新打开之间插入的一段延时) | |
| HOZVAL | thd | 显示一行数据所需的时间,假如屏幕分辨率为 1024*600,那么 HOZVAL 就是 1024,单位为 CLK。 | |
| HFP (horizontal front porth) | thf | 表示一行的有效数据结束到下一个水平同步信号开始之间的 CLK 的个数(显示完一行以后就会关闭电子枪等待 HSYNC 信号产生,关闭电子枪到 HSYNC 信号产生之间插入的一段延时)。 | |
| 帧显示 | VSYNC (Vertical Sync) | - | 帧同步信号,一帧像素数据的传输结束 |
| VSW (vertical sync width) | VSPW、tvp | VSYNC 信号宽度,就是垂直同步信号的宽度,单位为 1 行的时间 | |
| VBP (vertical back porch) | tvb | 表示在一帧图像开始时,垂直同步信号以后的无效的行数,单位为 1 行的时间。(VSYNC 信号产生,电子枪移动到左上角,VSYNC 信号结束以后电子枪重新打开,中间加入的一段延时) | |
| LINE | tvd | 显示一帧有效数据所需的时间,假如屏幕分辨率为 1024*600,那么 LINE 就是 600 行的时间。 | |
| VFP (vertical front porch) | tvf | 表示在一帧图像结束后,垂直同步信号以前的无效的行数(当显示完一帧图像以后电子枪也会关闭,然后等到 VSYNC 信号产生,期间也会加入的一段延时)。 |