LV010-STM32F1的SYSCLK
这一部分我们来详细了解一下系统时钟SYSCLK。
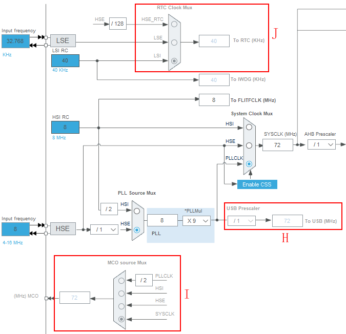
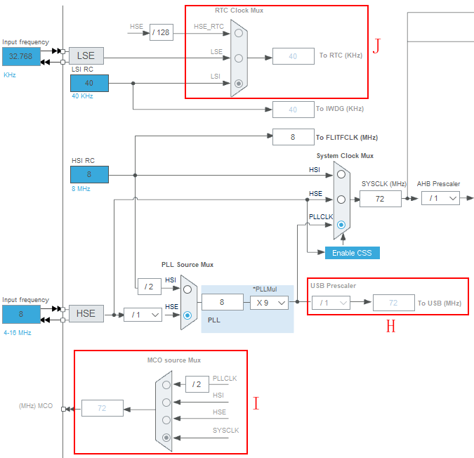
一、PLL 作为系统时钟源
在 STM32 中, 锁相环的输出也可以作为芯片系统的时钟源。 根据STM32F1的时钟结构,使用锁相环时只需要进行三个部分的配置。为了方便查看,这里直接截取STM32CubeMX中时钟树中使用 PLL 作为系统时钟源的配置部分,

- PLLXTPRE: HSE 分频器作为 PLL 输入 (HSE divider for PLL entry)
即图 11.1.2.1 在标注为①的地方, 它专门用于 HSE, ST 设计它有两种方式,并把它的控制功能放在 RCC_CFGR 寄存器中, 我们引用如图:

从 F103 参考手册可知它的值有两个:一是 2 分频, 另一种是 1 分频(不分频)。 经过 HSE 分频器处理后的输出振荡时钟信号比直接输入的时钟信号更稳定。
- PLLSRC: PLL 输入时钟源 (PLL entry clock source)
中②表示的是 PLL 时钟源的选择器, 同样的,参考 F103 参考手册:

它有两种可选择的输入源:设计为 HSI 的二分频时钟,或者 PLLXTPRE 处理后的 HSE 信号。
- PLLMUL: PLL 倍频系数 (PLL multiplication factor)
图中③所表示的配置锁相环倍频系数,同样地可以查到在 STM32F1 系列中, ST 设置它的有效倍频范围为 2~16 倍。
结合上图,要实现 72MHz 的主频率,我们通过选择 HSE 不分频作为 PLL 输入的时钟信号, 即输入 8Mhz,通过标号③选择倍频因子,可选择 2-16 倍频,我们选择 9 倍频,这样可以得到时钟信号为 8x9=72MHz。 这样计算出来时钟周期为 1/72MHz,大概就是13.89 纳秒 (ns)
二、系统时钟 SYSCLK
STM32 的系统时钟 SYSCLK 为整个芯片提供了时序信号。我们已经大致知道 STM32 主控是时序电路链接起来的。对于相同的稳定运行的电路,时钟频率越高,指令的执行速度越快,单位时间能处理的功能越多。 STM32 的系统时钟是可配置的,在 STM32F1 系列中,它可以为HSI、 PLLCLK、 HSE 中的一个,通过 CFGR 的位 SW[1:0]设置。
前面 PLL 作为系统时钟时,根据我们开发板的资源,可以把主频通过 PLL 设置为 72MHz。仍使用 PLL 作为系统时钟源,如果使用 HSI/2,那么可以得到最高主频 8MHz/2*16=64MHz。从时钟树图可知, AHB、 APB1、 APB2、内核时钟等时钟通过系统时钟分频得到。
根据得到的这个系统时钟,下面我们结合外设来看一看各个外设时钟源。

标号 C 为系统时钟输入选择,可选时钟信号有外部高速时钟 HSE(8M)、内部高速时钟 HSI(8M)和经过倍频的 PLL CLK(72M),选择 PLL CLK 作为系统时钟,此时系统时钟的频率为 72MHz。系统时钟来到标号 D 的 AHB 预分频器,其中可选择的分频系数为 1, 2, 4, 8, 16, 32, 64, 128, 256,我们选择不分频,所以 AHB 总线时钟达到最大的 72MHz。
下面看一下由 AHB 总线时钟得到的时钟:
APB1 总线时钟,由 HCLK 经过标号 E 的低速 APB1 预分频器得到,分频因子可以选择 1,2, 4, 8, 16,这里我们选择的是 2 分频,所以 APB1 总线时钟为 36M。由于 APB1 是低速总线时钟,所以 APB1 总线最高频率为 36MHz,片上低速的外设就挂载在该总线上,例如有看门狗定时器、定时器 2/3/4/5/6/7、 RTC 时钟、 USART2/3/4/5、 SPI2(I2S2)与 SPI3(I2S3)、 I2C1 与 I2C2、CAN、 USB 设备和 2 个 DAC。
APB2 总线时钟,由 HCLK 经过标号 F 的高速 APB2 预分频器得到,分频因子可以选择 1,2, 4, 8, 16,这里我们选择的是 1 即不分频,所以 APB2 总线时钟频率为 72M。与 APB2 高速总线链接的外设有外部中断与唤醒控制、 7 个通用目的输入/输出口(PA、 PB、 PC、 PD、 PE、 PF和 PG)、定时器 1、定时器 8、 SPI1、 USART1、 3 个 ADC 和内部温度传感器。其中标号 G 是ADC 的预分频器在后面 ADC 学习时再详细说明。
此外, AHB 总线时钟直接作为 SDIO、 FSMC、 AHB 总线、 Cortex 内核、存储器和 DMA 的HCLK 时钟,并作为 Cortex 内核自由运行时钟 FCLK。

标号 H 是 USBCLK,是一个通用串行接口时钟,时钟来源于 PLLCLK。 STM32F103 内置全速功能的 USB 外设,其串行接口引擎需要一个频率为 48MHz 的时钟源。该时钟源只能从PLL 输出端获取,可以选择为 1.5 分频或者 1 分频,也就是,当需要使用 USB 模块时, PLL 必须使能,并且时钟频率配置为 48MHz 或 72MHz。
标号 I 是 MCO 输出内部时钟, STM32 的一个时钟输出 IO(PA8),它可以选择一个时钟信号输出,可以选择为 PLL 输出的 2 分频、 HSI、 HSE、或者系统时钟。这个时钟可以用来给外部其他系统提供时钟源。
标号 J 是 RTC 定时器,其时钟源为 HSE/128、 LSE 或 LSI。
三、主频修改
STM32F103 默认的情况下(比如:串口 IAP 时或者是未初始化时钟时),使用的是内部 8M的 HSI 作为时钟源,所以不需要外部晶振也可以下载和运行代码的。
1. STM32F1 时钟系统配置
这里使用的是HAL库,可以用STM32CubeMX来创建和分析工程。
1.1 配置 HSE_VALUE
STM32F1xx_hal_conf.h 中的宏定义 HSE_VALUE 匹配我们实际硬件的高速晶振频率(这里是 8MHZ),代码中通过使用宏定义的方式来选择 HSE_VALUE 的值是 25M 或者 8M,这里我们不去定义 USE_STM3210C_EVAL 这个宏或者全局变量即可,选择定义 HSE_VALUE 的值为 8M。代码如下:
#if !defined (HSE_VALUE)
#if defined(USE_STM3210C_EVAL)
#define HSE_VALUE 25000000U /*!< Value of the External oscillator in Hz */
#else
#define HSE_VALUE 8000000U /*!< Value of the External oscillator in Hz */
#endif
#endif /* HSE_VALUE */1.2 调用 SystemInit 函数
我们学习启动文件的时候就知道,在系统启动之后,程序会先执行 SystemInit 函数,进行系统一些初始化配置。启动代码调用 SystemInit 函数如下:
Reset_Handler PROC
EXPORT Reset_Handler [WEAK]
IMPORT SystemInit
IMPORT __main
LDR R0, =SystemInit
BLX R0
LDR R0, =__main
BX R0
ENDP下面我们来看看 system_stm32f1xx.c 文件下定义的 SystemInit 程序,简化函数如下:
void SystemInit (void)
{
#if defined(STM32F100xE) || defined(STM32F101xE) || defined(STM32F101xG) || defined(STM32F103xE) || defined(STM32F103xG)
#ifdef DATA_IN_ExtSRAM
SystemInit_ExtMemCtl();
#endif /* 配置扩展 SRAM */
#endif
/* 配置中断向量表 */
#if defined(USER_VECT_TAB_ADDRESS)
SCB->VTOR = VECT_TAB_BASE_ADDRESS | VECT_TAB_OFFSET; /* Vector Table Relocation in Internal SRAM. */
#endif /* USER_VECT_TAB_ADDRESS */
}从上面代码可以看出, SystemInit 主要做了如下两个方面工作:
(1)外部存储器配置
(2)中断向量表地址配置
然而我们的代码中实际并没有定义 DATA_IN_ExtSRAM 和 USER_VECT_TAB_ADDRESS这两个宏,实际上 SystemInit 对于我们并没有起作用,但我们保留了这个接口。从而避免了去修改启动文件。另外,是可以把一些重要的初始化放到 SystemInit 这里,在 main 函数运行前就把重要的一些初始化配置好(如 ST 这里是在运行 main 函数前先把外部的 SRAM 初始化),这个我们一般用不到,直接到 main 函数中处理即可,但也有厂商(如 RT-Thread)就采取了这样的做法,使得 main 函数更加简单。
HAL 库的 SystemInit 函数并没有任何时钟相关配置,所以后续的初始化步骤,我们还必须编写自己的时钟配置函数。
1.3 在 main 函数里配置时钟
然后我们看一下工程中用户的main.c,就会发现其实在main函数中调用了SystemClock_Config(),而这个函数就是配置时钟的:
void SystemClock_Config(void)
{
RCC_OscInitTypeDef RCC_OscInitStruct = {0};
RCC_ClkInitTypeDef RCC_ClkInitStruct = {0};
/** Initializes the RCC Oscillators according to the specified parameters
* in the RCC_OscInitTypeDef structure.
*/
RCC_OscInitStruct.OscillatorType = RCC_OSCILLATORTYPE_HSI; // 选择HSI作为振荡器类型
RCC_OscInitStruct.HSIState = RCC_HSI_ON; // 使能HSI
RCC_OscInitStruct.HSICalibrationValue = RCC_HSICALIBRATION_DEFAULT; // 使用默认校准值
RCC_OscInitStruct.PLL.PLLState = RCC_PLL_NONE; // 禁用PLL
if (HAL_RCC_OscConfig(&RCC_OscInitStruct) != HAL_OK)
{
Error_Handler();
}
/** Initializes the CPU, AHB and APB buses clocks
*/
// 同时配置系统时钟、HCLK、PCLK1和PCLK2
RCC_ClkInitStruct.ClockType = RCC_CLOCKTYPE_HCLK|RCC_CLOCKTYPE_SYSCLK
|RCC_CLOCKTYPE_PCLK1|RCC_CLOCKTYPE_PCLK2;
RCC_ClkInitStruct.SYSCLKSource = RCC_SYSCLKSOURCE_HSI; // 选择HSI作为系统时钟源
RCC_ClkInitStruct.AHBCLKDivider = RCC_SYSCLK_DIV1; // AHB预分频器=1(不分频)
RCC_ClkInitStruct.APB1CLKDivider = RCC_HCLK_DIV1; // APB1预分频器=1(不分频)
RCC_ClkInitStruct.APB2CLKDivider = RCC_HCLK_DIV1; // APB2预分频器=1(不分频)
if (HAL_RCC_ClockConfig(&RCC_ClkInitStruct, FLASH_LATENCY_0) != HAL_OK)
{
Error_Handler();
}
}(1)HSI时钟源:固定为8MHz(内部RC振荡器)
(2)系统时钟(SYSCLK):8MHz(直接采用HSI,未分频)
(3)AHB总线时钟(HCLK):8MHz(与系统时钟同频)
(4)APB1总线时钟(PCLK1):8MHz(通常用于低速外设)
(5)APB2总线时钟(PCLK2):8MHz(通常用于高速外设)
对应的时钟树是这样的:

2. 修改主频为72M
我们在STM32CubeMX中配置如下:
2.1 开启HSE

2.2 设置时钟树
注意APB1最高36M,前面主频提高了,后面可能会报错,注意修改:

2.3 生成代码
这个时候,时钟配置函数就会变成下面这样:
void SystemClock_Config(void)
{
RCC_OscInitTypeDef RCC_OscInitStruct = {0};
RCC_ClkInitTypeDef RCC_ClkInitStruct = {0};
/** Initializes the RCC Oscillators according to the specified parameters
* in the RCC_OscInitTypeDef structure.
*/
RCC_OscInitStruct.OscillatorType = RCC_OSCILLATORTYPE_HSE;
RCC_OscInitStruct.HSEState = RCC_HSE_ON;
RCC_OscInitStruct.HSEPredivValue = RCC_HSE_PREDIV_DIV1;
RCC_OscInitStruct.HSIState = RCC_HSI_ON;
RCC_OscInitStruct.PLL.PLLState = RCC_PLL_ON;
RCC_OscInitStruct.PLL.PLLSource = RCC_PLLSOURCE_HSE;
RCC_OscInitStruct.PLL.PLLMUL = RCC_PLL_MUL9;
if (HAL_RCC_OscConfig(&RCC_OscInitStruct) != HAL_OK)
{
Error_Handler();
}
/** Initializes the CPU, AHB and APB buses clocks
*/
RCC_ClkInitStruct.ClockType = RCC_CLOCKTYPE_HCLK|RCC_CLOCKTYPE_SYSCLK
|RCC_CLOCKTYPE_PCLK1|RCC_CLOCKTYPE_PCLK2;
RCC_ClkInitStruct.SYSCLKSource = RCC_SYSCLKSOURCE_PLLCLK;
RCC_ClkInitStruct.AHBCLKDivider = RCC_SYSCLK_DIV1;
RCC_ClkInitStruct.APB1CLKDivider = RCC_HCLK_DIV2;
RCC_ClkInitStruct.APB2CLKDivider = RCC_HCLK_DIV1;
if (HAL_RCC_ClockConfig(&RCC_ClkInitStruct, FLASH_LATENCY_2) != HAL_OK)
{
Error_Handler();
}
}3. 主频修改验证
8M的主频下,一个时钟周期为 1/8MHz = 0.000000125s,我们可以写一个指令延时的函数,在8M时可以延迟9s
// 空指令延时函数
void delay_cycles(uint32_t cycles)
{
// 注意,这里应该考虑循环开销,每循环大约需要4个额外周期
for(uint32_t i = 0; i < cycles; i++)
{
__NOP(); // 执行空指令
}
}
// 在8MHz下大约延时9秒的函数
void delay_approx_9s_8mhz(void)
{
// 在8MHz下,大约需要执行72,000,000条指令来实现9秒延时
// (8MHz * 9秒 = 72,000,000周期)
delay_cycles(72000000);
}这里一共大概执行72000000次空指令,大约为9秒,但是只是理论,其实我用秒表测了一下,大概要45s左右才结束,要等很久很久,我们用作LED闪烁,然后切换为72M,这个时候,APB1可以达到最大的36M,我们再观察闪烁频率是否加快来查看是否真正修改了主频。我实际测了一下,大概9秒左右,可能这里不精确,但是主要是演示时钟的配置。