LV020-FSMC模拟8080时序
一、FSMC简介
1. 简介
ILI9341的8080通讯接口时序可以由STM32使用普通I/O接口进行模拟,但这样效率太低,STM32提供了一种特别的控制方法——使用FSMC接口实现8080时序。

我们前边学习SRAM的时候了解到STM32的FSMC外设可以用于控制扩展的外部存储器,而MCU对液晶屏的操作实际上就是把显示数据写入到显存中,与控制存储器非常类似,且8080接口的通讯时序完全可以使用FSMC外设产生,因而非常适合使用FSMC控制液晶屏。
2. NOR闪存,非复用接口
控制LCD时,适合使用FSMC的NOR\PSRAM模式,它与前面使用FSMC控制SRAM的稍有不同,控制SRAM时使用的是模式A,而控制LCD时使用的是与NOR FLASH一样的模式B,所以我们重点分析前边框图中NOR FLASH控制信号线部分。我们可以看STM32中文参考手册的19.5.1 外部存储器接口信号:
| FSMC信号名称 | 信号方向 | 功能 |
|---|---|---|
| CLK | 输出 | 时钟信号( 用于同步访问的外部存储器) |
| A[25:16] | 输出 | 地址总线 |
| AD[15:0] | 输入/输出 | 16位复用的,双向地址/数据总线 |
| NEx | 输出 | Bank1区域内片选信号, x=1~4,每个区域大小为64MB |
| NOE | 输出 | 读使能信号 |
| NWE | 输出 | 写使能信号 |
| NWAIT | 输入 | NOR闪存要求FSMC等待的信号 |
NOR闪存存储器是按16位的字寻址,最大容量达64M字节(26条地址线)。在控制LCD时,使用的是类似异步、地址与数据线独立的NOR FLASH控制方式,所以实际上CLK、NWAIT、NADV引脚并没有使用到。
二、ILI9341与FSMC
1. 怎么接线?
首先我们回顾下外部 SRAM的连接,外部 SRAM 的控制一般有:地址线(如 A0~A18)、数据线(如 D0~D15)、写信号(WE)、读信号(OE)、片选信号(CS),如果 SRAM 支持字节控制,那么还有 UB/LB 信号。
而 TFTLCD的信号我们在前边有介绍,包括: D/C、 D0 ~ D15、 WR、 RD、 CS、 RST 和 BL 等,其中真正在操作 LCD 的时候需要用到的就只有: D/C、D0 ~ D15、 WR、 RD 和 CS。其操作时序和 SRAM的控制完全类似,唯一不同就是 TFTLCD 有 RS 信号,但是没有地址信号。
TFTLCD 通过 D/C 信号来决定传送的数据是数据还是命令,本质上可以理解为一个地址信号, 比如我们把 D/C 接在 FSMC_A0 上面,那么当 FSMC 控制器写地址 0 的时候,会使得 FSMC_A0 变为 0,对 TFTLCD 来说,就是写命令。而 FSMC 写地址 1 的时候, FSMC_A0 将会变为 1,对 TFTLCD 来说,就是写数据了。这样,就把数据和命令区分开了,他们其实就是对应 SRAM 操作的两个连续地址。当然 D/C 也可以接在其他地址线上,战舰 STM32 开发板是把 D/C 连接在 FSMC_A10 上面的。 所以两者的对应关系可以如下表(带X的表示低电平有效):
| FSMC信号 | 功能 | 8080信号 | 功能 | |
|---|---|---|---|---|
| NEx | Bank1片选信号 | = | CSX | 控制器片选 |
| NOE | 读使能 | = | RXD | 读信号引脚 |
| NEW | 写使能 | = | WRX | 写信号引脚 |
| D[15:0] | 数据总线 | = | DB[15:0] | 数据总线 |
| A[25:0] | 地址总线 | ≈ | D/CX | 数据/命令切换信号 |
2. FSMC的两种模式
2.1 FSMC NOR/PSRAM模式B
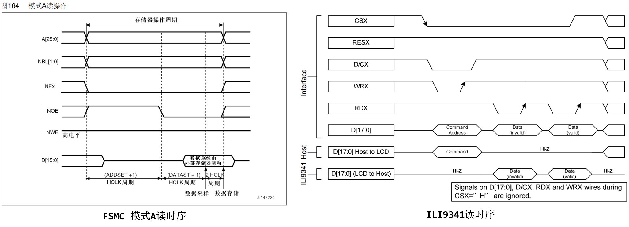
我们重点来看一下模式B的写时序(读时序一般不怎么用,因为我们主要是向LCD写数据来进行显示用的,而且我们看一下读时序就知道其实对应关系是一样的,所以我们这里只分析写时序就可以啦,读时序是一样的)与ILI9341的写时序的对应关系:

我们可以看到除了D/CX信号外,剩下的几个信号的时序就是一致的,看到这个图,我们就该明白为什么FSMC可以拿来模拟8080时序啦。但是还有一个问题,那就是D/CX这个信号怎么办呢?要是FSMC也可以产生高低电平来使控制D/CX那不就好了吗?
当我们使用FSMC访问特定地址时, FSMC 会产生相应的模拟 8080 时序,控制地址线输出要访问的内存地址,使用数据信号线接收或发送数据,其它片选信号 NE、读使能信号 NOE、写使能信号NWE 辅助产生完整的时序,而由于控制液晶屏的硬件连接中,使用如图下中的连接来模拟 8080 时序,所以 FSMC 产生的这些信号会被 ILI9341 接收,并且使用其中一根 FSMC_Ax 地址控制命令/数据选择引脚 RS(即 D/CX),因此,我们要是知道 STM32 访问什么地址时,对应的 FSMC_Ax 引脚会输出高电平表示传输的是数据,访问什么地址时,对应的 FSMC_Ax 引脚会输出低电平表示传输的是命令。若理解了计算过程,以后就可以根据自己制作的硬件电路来计算访问地址了。

根据STM32对寻址空间的地址映射,地址0x6000 0000 ~0x9FFF FFFF是映射到外部存储器的,而其中的0x6000 0000 ~0x6FFF FFFF则是分配给NOR FLASH、PSRAM这类可直接寻址的器件。当FSMC外设被配置成正常工作,并且外部接了NOR FLASH时,若向0x60000000地址写入数据如0xABCD,FSMC会自动在各信号线上产生相应的电平信号,写入数据。FSMC会控制片选信号NE1选择相应的NOR 芯片,然后使用地址线A[25:0]输出0x60000000,在NWE写使能信号线上发出低电平的写使能信号,而要写入的数据信号0xABCD则从数据线D[15:0]输出,然后数据就被保存到NOR FLASH中了。
我们假设,现在将D/CX接在FSMC_A0上,由于FSMC会自动产生地址信号,当使用FSMC向0x6xxx xxx1、0x6xxx xxx3、0x6xxx xxx5…这些奇数地址写入数据时,地址最低位的值均为1,所以它会控制地址线A0(D/CX)输出高电平,那么这时通过数据线传输的信号会被理解为数值;若向0x6xxx xxx0 、0x6xxx xxx2、0x6xxx xxx4…这些偶数地址写入数据时,地址最低位的值均为0,所以它会控制地址线A0(D/CX)输出低电平,因此这时通过数据线传输的信号会被理解为命令,如下表:
| 地址 | 地址的二进制值(低四位) | A0(D/CX)的电平 | 控制ILI9341时的意义 |
|---|---|---|---|
| 0x6xxx xxx1 | 0001 | 1 高电平 | D 数值 |
| 0x6xxx xxx3 | 0011 | 1 高电平 | D 数值 |
| 0x6xxx xxx5 | 0101 | 1 高电平 | D 数值 |
| 0x6xxx xxx0 | 0000 | 0 低电平 | C 命令 |
| 0x6xxx xxx2 | 0010 | 0 低电平 | C 命令 |
| 0x6xxx xxx4 | 0100 | 0 低电平 | C 命令 |
有了这个基础,我们只要配置好FSMC外设,然后在代码中利用指针变量,向不同的地址单元写入数据,就能够由FSMC模拟出的8080接口向ILI9341写入控制命令或GRAM的数据了。
注意:在实际控制时,以上地址计算方式还不完整,还需要注意HADDR内部地址与FSMC地址信号线的转换,关于这部分内容在代码讲解时再详细举例说明.
2.2 FSMC NOR/PSRAM模式A
后边在实际实现LCD驱动的时候,发现,模式A好像也可以使用:
- 读时序

- 写时序

对比过后,模式A好像也能用,反正不管用哪种模式,主要还是ADDSET和DATAST的确定。
3. 地址计算
我们上边知道可以吧D/CX接在FSMC_A[25:0]任意一个引脚上,接在A0的情况上边已经分析了,那要是不使用A0,我们怎么计算ILI9341的命令和数据所对应的FSMC需要发送的地址呢?
(1)我们根据开发板的原理图,我们假设使用的是 FSMC_NE1 作为 8080_CS 片选信号,所以首先可以确认地址范围,当访问0X6000 0000 ~ 0X63FF FFFF 地址时, FSMC 均会对外产生片选有效的访问时序;
(2)我们假设使用 FSMC_A16 地址线作为命令/数据选择线 D/C 信号,所以在以上地址范围内,再选择出使得 FSMC_A16 输出高电平的地址,即可控制表示数据,选择出使得 FSMC_A16 输出低电平的地址,即可控制表示命令。
(3)计算高低电平对应的地址:
要使 FSMC_A16 地址线为高电平,实质是输出地址信号的第 16 位为 1 即可,使用 0X60000000~0X63FF FFFF 内的任意地址,作如下运算:
设置地址的第 16 位为 1: 0X6000 0000 |= (1<<16) = 0x6001 0000要使 FSMC_A16 地址线为低电平,实质是输出地址信号的第 16 位为 0 即可,使用 0X60000000~0X63FF FFFF 内的任意地址,作如下运算
设置地址的第 16 位为 0: 0X6000 0000 &= ~ (1<<16) = 0x6000 0000(4)但是,以上方法计算的地址还不完全正确,STM32 内部访问地址时使用的是内部 HADDR 总线,它是需要转换到外部存储器的内部 AHB 地址线,它是字节地址 (8 位),而存储器访问不都是按字节访问,因此接到存储器的地址线依存储器的数据宽度有所不同。

而我们使用的是 16 位的数据访问方式,所以 HADDR 与 FSMC_A 的地址线连接关系会左移一位,如 HADDR[1] 与 FSMC_A[0] 对应、 HADDR[2] 与 FSMC_A[1] 对应。因此,当 FSMC_A0 地址线为 1 时,实际上内部地址的第 1 位为 1, FSMC_A1 地址线为 1 时,实际上内部地址的第 2 位为1。同样地,当希望 FSMC_A16 地址输出高电平或低电平时,需要重新调整计算公式:
要使 FSMC_A16 地址线为高电平,实质是访问内部 HADDR 地址的第 (16+1) 位为 1 即可,使用 0X6000 0000~0X63FF FFFF 内的任意地址,作如下运算:
使 FSMC_A16 地址线为高电平: 0X6000 0000 |= (1 << (16+1)) = 0x6002 0000要使 FSMC_A16 地址线为低电平,实质是访问内部 HADDR 地址的第 (16+1) 位为 0 即可,使用 0X6000 0000~0X63FF FFFF 内的任意地址,作如下运算:
使 FSMC_A16 地址线为低电平: 0X6000 0000 &= ~ (1<<(16+1)) = 0x6000 0000根据最终的计算结果,总结如下:当 STM32 访问内部的 0x6002 0000 地址时, FSMC 自动输出时序,且使得与液晶屏的数据/命令选择线 RS(即 D/CX) 相连的 FSMC_A16 输出高电平,使得液晶屏会把传输过程理解为数据传输;类似地,当 STM32 访问内部的 0X6000 0000 地址时, FSMC自动输出时序,且使得与液晶屏的数据/命令选择线 RS(即 D/CX) 相连的 FSMC_A16 输出低电平,使得液晶屏会把传输过程理解为命令传输。
(5)我们可以将上述结果封装成一个宏,方便使用:
/****************************************************************
2^26 =0X0400 0000 = 64MB, 每个 BANK 有 4*64MB = 256MB
64MB:FSMC_Bank1_NORSRAM1:0X6000 0000 ~ 0X63FF FFFF
64MB:FSMC_Bank1_NORSRAM2:0X6400 0000 ~ 0X67FF FFFF
64MB:FSMC_Bank1_NORSRAM3:0X6800 0000 ~ 0X6BFF FFFF
64MB:FSMC_Bank1_NORSRAM4:0X6C00 0000 ~ 0X6FFF FFFF
选择 BANK1-BORSRAM1 连接 TFT,地址范围为 0X6000 0000 ~ 0X63FF FFFF
FSMC_A16 接 LCD 的 DC(寄存器/数据选择) 脚寄存器基地址 = 0X6C00 0000
RAM 基地址 = 0X6002 0000 = 0X6000 0000+2^16*2 = 0X6000 0000 + 0x2 0000 = 0X6002 0000
当选择不同的地址线时,地址要重新计算
********************************************************/
/*************** ILI9341 显示屏的 FSMC 参数定义 ****************/
//FSMC_Bank1_NORSRAM 用于 LCD 命令操作的地址
#define FSMC_Addr_ILI9341_CMD ( ( uint32_t ) 0x60020000 )
//FSMC_Bank1_NORSRAM 用于 LCD 数据操作的地址
#define FSMC_Addr_ILI9341_DATA ( ( uint32_t ) 0x60000000 )**【注意】**其实吧,通过这种方式计算得来的地址,并不是所有的地址都能用,不能用的时候注意换一个试一下,我后边写代码的时候用A10测了一下,最低的4个位不能是奇数,至少我学习这个的时候看到是这样的规律随后没有深究,可能是存在一个对齐问题吧,后边有坑了再补充。
三、读写IL9341
FSMC连接好外部的存储器并初始化后,就可以直接通过访问地址来读写数据。FSMC访问存储器的方式与I2C EEPROM、SPI FLASH的不一样,后两种方式都需要控制I2C或SPI总线给存储器发送地址,然后获取数据;在程序里,这个地址和数据都需要分开使用不同的变量存储,并且访问时还需要使用代码控制发送读写命令。而使用FSMC外接存储器时,其存储单元是映射到STM32的内部寻址空间的;在程序里,定义一个指向这些地址的指针,然后就可以通过指针直接修改该存储单元的内容,FSMC外设会自动完成数据访问过程,读写命令之类的操作不需要程序控制。
总的来说就是,我们确定了数据的读写地址之后,我们直接向这个地址写入数据,就可以发送或者接收16bit数据啦控制命令的地址也是一样,这就是"SRAM"地址空间映射到内核的好处,我们可以直接进行访问。
1. 写入命令
/**
* @brief 向ILI9341写入命令
* @param usCmd :要写入的命令(表寄存器地址)
* @retval 无
*/
__inline void ILI9341_Write_Cmd (uint16_t usCmd)
{
*(__IO uint16_t *)(FSMC_Addr_ILI9341_CMD) = usCmd; // #define __IO volatile
}2. 写入数据
/**
* @brief 向ILI9341写入数据
* @param usData :要写入的数据
* @retval 无
*/
__inline void ILI9341_Write_Data (uint16_t usData)
{
*(__IO uint16_t *)(FSMC_Addr_ILI9341_DATA) = usData; // #define __IO volatile
}3. 读取数据
/**
* @brief 从ILI9341读取数据
* @param 无
* @retval 读取到的数据
*/
__inline uint16_t ILI9341_Read_Data ( void )
{
return ( *(__IO uint16_t *)(FSMC_Addr_ILI9341_DATA) ); // #define __IO volatile
}