LV001-OLED简介
本节笔记放在这里,主要是为了学习8080时序,为后边FSMC产生8080时序做铺垫,这一部分的笔记是用GPIO模拟8080时序,这样对8080时序的认识会更深刻一些。这一节会涉及一些像素啊,显存啊什么的基本概念,笔记写在LCD屏幕学的相关笔记中了。平时我用的还是I2C或者SPI接口的OLED。
一、OLED简介
1. 简介
OLED,即有机发光二极管(Organic Light-Emitting Diode),又称为有机电激光显示(Organic Electroluminesence Display, OELD)。OLED由于同时具备自发光,不需背光源、对比度高、厚度薄、视角广、反应速度快、可用于挠曲性面板、使用温度范围广、构造及制程较简单等优异之特性,被认为是下一代的平面显示器新兴应用技术。

OLED显示技术具有自发光的特性,采用非常薄的有机材料涂层和玻璃基板,当有电流通过时,这些有机材料就会发光,而且OLED显示屏幕可视角度大,并且能够节省电能,从2003年开始这种显示设备在MP3播放器上得到了应用。
LCD都需要背光,而OLED不需要,因为它是自发光的。这样同样的显示,OLED效果要来得好一些。以目前的技术,OLED的尺寸还难以大型化,但是分辨率确可以做到很高。
2. 0.96寸OLED特点

我学习的是正点原子出的OLED模块ATK-MD0096(但是只是为了学习8080接口,平时我用的还是I2C或者SPI接口的OLED),它有以下特点:
(1)模块有单色和双色两种可选,单色为纯蓝色,而双色则为黄蓝双色。单色模块每个像素点只有亮与不亮两种情况,没有颜色区分。
(2)尺寸小,显示尺寸为0.96寸,而模块的尺寸仅为27mm*26mm大小。
(3)高分辨率,该模块的分辨率为128*64。
(4)多种接口方式,该模块提供了总共4种接口包括:6800、8080两种并行接口方式、 4线的穿行SPI接口方式,、I2C接口方式(只需要2根线就可以控制OLED了)。
(5)不需要高压,直接接3.3V就可以工作了。
【注意】该模块不和5.0V接口兼容,所以请大家在使用的时候一定要小心,不要直接接到5V的系统上去,否则可能烧坏模块。
3. SSD1036
我使用的OLED芯片是使用SSD1036这款芯片来驱动的,它是香港Solomon Systech公司(晶门科技)的一款显示屏驱动芯片,它的相关介绍我们可以在这里看到:SSD1306 - Solomon Systech (International) Limited (solomon-systech.com),从这个网站是可以下载芯片手册的,但是好像要填一堆信息。
链接: 01-SSD1306-Revision 1.1 (Charge Pump).pdf 提取码: vjkx
SSD1306是一款单芯片CMOS OLED/PLED驱动器和控制器,用于有机/聚合物发光二极管点阵图形显示系统。它由128个段和64个公共端组成(没看懂,反正他可以驱动128*64的OLED屏)。该集成电路是为普通阴极型OLED面板设计的。
SSD1306嵌入了对比度控制、显示RAM和振荡器,减少了外部元件的数量和功耗。它有256级亮度控制。数据/命令通过硬件可选的6800/8000系列兼容并行接口,I2C接口或串行外设接口从通用MCU发送。它适用于许多小型便携式应用,如手机子显示器、MP3播放器、计算器等。
4. 相关资料查阅
OLED屏幕的原理图和SSD1036芯片手册:链接: https://pan.baidu.com/s/1HUaXodKCxwM_uspepMC8Eg?pwd=5azm 提取码: 5azm
二、SSD1306
接下来我们来看一下SSD1306这款控制器,芯片手册可以看SSD1306_datasheet
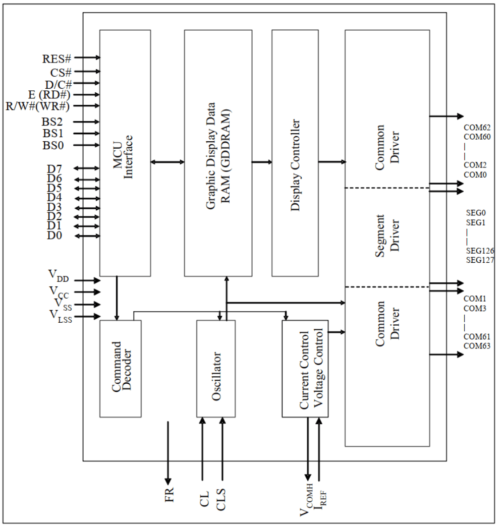
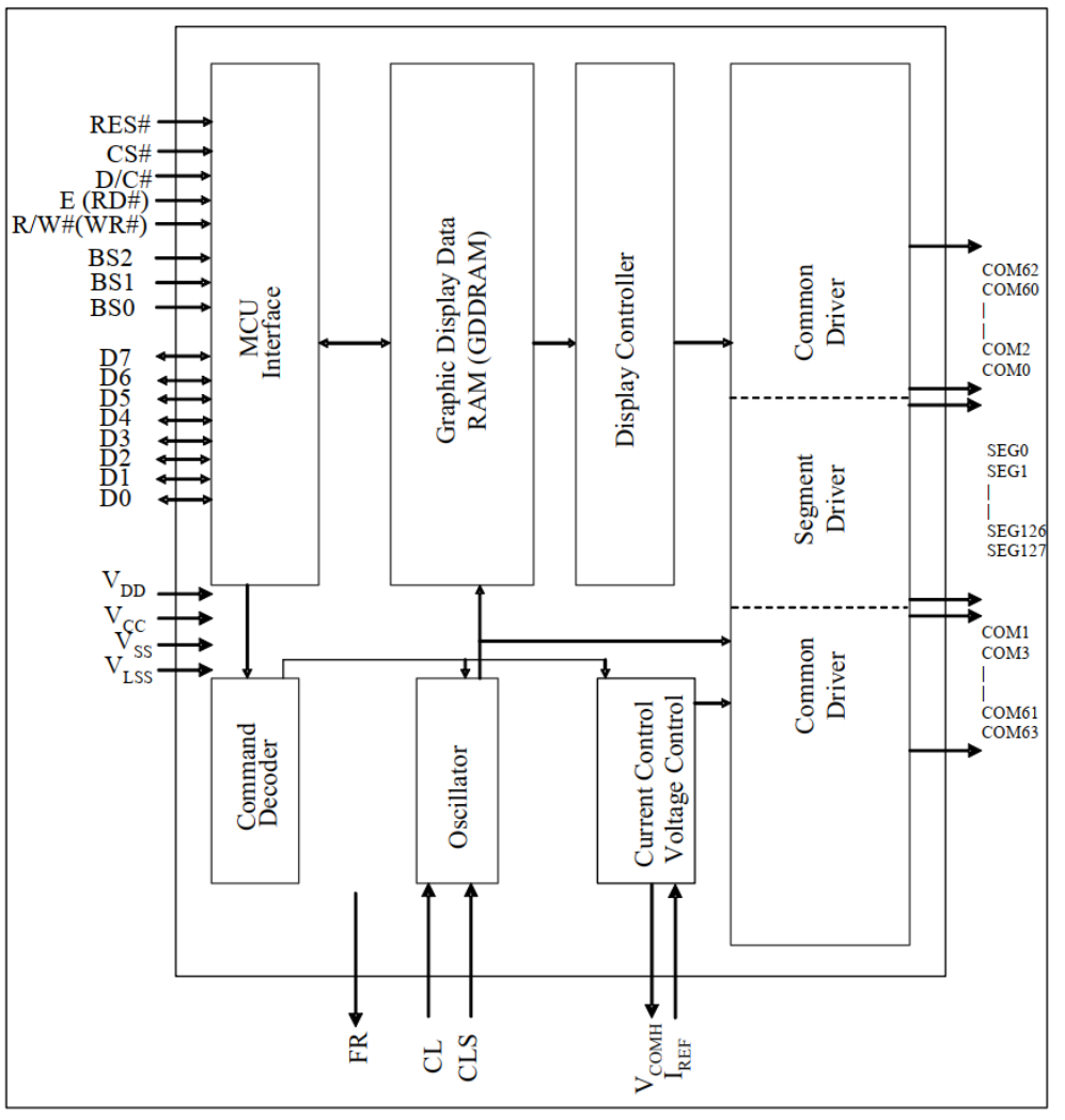
1. 功能框图
功能框图我们可以看SSD1306_datasheet的4 BLOCK DIAGRAM 一节:

关于引脚的详细定义,我们可以查看SSD1306_datasheet的7 PIN DESCRIPTION 一节,引脚比较多,这里就不说了。
2. BS[2:0]
引脚中的BS0、BS1和BS2这里要关注一下,它们三个是芯片与MCU通信接口的选择引脚:

0就表示接到低电平VSS,1就表示接到高电平VDD。
3. 并行8080接口
3.1 相关引脚说明
我们主要是关注一下8080并行接口的读写时序,方便后边LCD的学习。我们先来看一下相关引脚的说明:

(1)E (RD#):当选择8080接口模式时,该引脚接收读取(RD#)信号。当该引脚拉低并选择芯片时,开始读取操作。
(2)R/W#(WR#) :这是连接到MCU接口的读写控制输入引脚。当选择8080接口模式时,该引脚将作为写入(WR#)输入。当该引脚被拉低并选择芯片时,开始数据写入操作。
(3)CS#:片选信号,低电平有效。
(4)D/C#:这是数据/命令控制引脚。当它被拉高(即连接到VDD),数据在D[7:0]被视为数据。当它被拉低时,D[7:0]的数据将被转移到命令寄存器,也就是被当做命令处理。
3.2 读时序

(1)先根据要读取的数据的类型,设置D/C#为高(数据)/低(命令);
(2)然后拉低片选,选中SSD1306;
(3)接着是要读数据,所以要将RD#拉低;
(4)读数据:在RD#的上升沿, 使数据锁存到数据线(D[7:0])上;
3.3 写时序

(1)先根据要写入的数据的类型,设置D/C#为高(数据)/低(命令);
(2)然后拉低片选,选中SSD1306;
(3)接着是要写数据,所以要将WR#拉低;
(4)写数据:在WR#的上升沿, 使数据写入到SSD1306里面;
3.4 同步频率
在 8080 方式下读数据操作的时候,我们有时候(例如读显存的时候)需要一个假读命(Dummy Read),以使得微控制器的操作频率和显存的操作频率相匹配。在读取真正的数据之前,由一个的假读的过程。这里的假读,其实就是第一个读到的字节丢弃不要,从第二个开始,才是我们真正要读的数据。

可以看到,在发送了列地址之后,开始读数据,第一个是 Dummy Read,也就是假读,我们从第二个开始,才算是真正有效的数据。
4. 显存
4.1 显存的划分格式
这一部分我们可以看SSD1306_datasheet的8.7 Graphic Display Data RAM (GDDRAM) 一节。SSD1306的显存总共为128*64bit大小,SSD1306将这些显存分为了8页。每页包含了128个字节(128*8bit ),总共8页,这样刚好是128*64的点阵大小。
| 屏幕行列 | 0~127 列 |
|---|---|
| 0~7 行 | PAGE0 |
| 8~15 行 | PAGE1 |
| 16~23 行 | PAGE2 |
| 24~31 行 | PAGE3 |
| 32~39 行 | PAGE4 |
| 40~47 行 | PAGE5 |
| 48~55 行 | PAGE6 |
| 56~63 行 | PAGE7 |
以 PAGE2 为例, PAGE2 中的显存数据与屏幕像素点的对应关系,如下图所示 :

可以看出, 显存中的 1 字节数据对应了屏幕上的 8 个像素, 当往控制器 SSD1306 显存的某一页的某一列写入 1 数据, 那么将会同时修改显存中这一页的这一列对应屏幕上的 8个像素。 如果只想修改屏幕上某一个像素的状态,那么通常可以采用读、修改、写或外部微控制器内建显存的方式,但要注意的是, 在 ATK-MD0096 使用 SPI 或 IIC 通讯接口模式时,是无法读取控制器 SSD1306 的数据的,因此,在此情况下建议使用外部微控制器内建显存的方式,如果是对于 RAM 资源不足的外部微控制器,则建议使用 8 位 6800 或 8 位 8080 通讯接口模式,以减少对 RAM 空间的占用。
STM32程序显示数据的原理?
在STM32的内部建立一个 缓存(共128*8个字节),在每次修改的时候,只是修改STM32上的缓存(实际上就是SRAM),在修改完了之后,一次性把STM32上的缓存数据写入到OLED的GRAM。当然这个方法也有坏处,就是对于那些SRAM很小的单片机(比如51系列)就比较麻烦了。
4.2 与像素的对应关系
* 显存中的每一比特代表ATK-MD0096模块OLED上的一个像素
* col0 col1 ... col127
* ┌----------------------------------┐
* row0 | [0][0].0 [0][1].0 ... [0][127].0 |
* row1 | [0][0].1 [0][1].1 ... [0][127].1 |
* ... | ... ... ... ... |
* row7 | [0][0].7 [0][1].7 ... [0][127].7 |
* row8 | [1][0].0 [1][1].0 ... [1][127].0 |
* row9 | [1][0].1 [1][1].1 ... [1][127].1 |
* ... | ... ... ... ... |
* row15 | [1][0].7 [1][1].7 ... [1][127].7 |
* ... | ...... |
* row56 | [7][0].0 [7][1].0 ... [7][127].0 |
* row57 | [7][0].1 [7][1].1 ... [7][127].1 |
* ... | ... ... ... ... |
* row63 | [7][0].7 [7][1].7 ... [7][127].7 |
* └----------------------------------┘5. 命令
SS1306的命令我们可以查看SSD1306_datasheet的9 COMMAND TABLE 和 10 COMMAND DESCRIPTIONS 。这里只介绍几个我们用得到的。

(1)命令0X81:设置对比度。包含两个字节,第一个0X81为命令,随后发送的一个字节为要设置的对比度的值。这个值设置得越大屏幕就越亮。
(2)命令0XAE/0XAF:0XAE为关闭显示命令;0XAF为开启显示命令。
(3)命令0X8D:包含2个字节,第一个为命令字,第二个为设置值,第二个字节的BIT2表示电荷泵的开关状态,该位为1,则开启电荷泵,为0则关闭。在模块初始化的时候,这个必须要开启,否则是看不到屏幕显示的。
(4)命令0XB0~B7:用于设置页地址,其低三位的值对应着GRAM的页地址。
(5)命令0X00~0X0F:用于设置显示时的起始列地址低四位。
(6)命令0X10~0X1F:用于设置显示时的起始列地址高四位。
三、OLED模块
这里还是以正点原子的这款OLED模块为例。
1. OLED模块接口方式
| 接口方式 | 4 线 SPI | IIC | 8 位 6800 | 8 位 8080 |
|---|---|---|---|---|
| BS1 | 0 | 1 | 0 | 1 |
| BS2 | 0 | 0 | 1 | 1 |

ALIENTEK OLED 模块默认设置是: BS1 和 BS2 接 VCC ,即使用 8080 并口方式,如果想要设置为其他模式,则需要在 OLED 的背面,用烙铁修改 BS1 和 BS2 的设置。
2. 屏幕原理图
这个的话,我们还是看屏幕厂家给的原理图:M00750_VGM128064C0W01_Y01.pdf,这里只贴一下引脚的定义吧:

引脚描述的话我们可以查看M00750_VGM128064C0W01_Y01.pdf的5 Module Interface一节,这里就不详细说明了。
3. 与SSD1036接线?
在屏幕厂家给的原理图M00750_VGM128064C0W01_Y01.pdf的6 Function Block Diagram一节还给出了OLED屏幕与SSD1036控制器的接线图:
