LV010-8080时序驱动OLED
本节笔记放在这里,主要是为了学习8080时序,为后边FSMC产生8080时序做铺垫,这一部分的笔记是用GPIO模拟8080时序,这样对8080时序的认识会更深刻一些。由于我没有8080并口的OLED模块,所以还是以正点原子的OLED模块来进行时序的模拟。
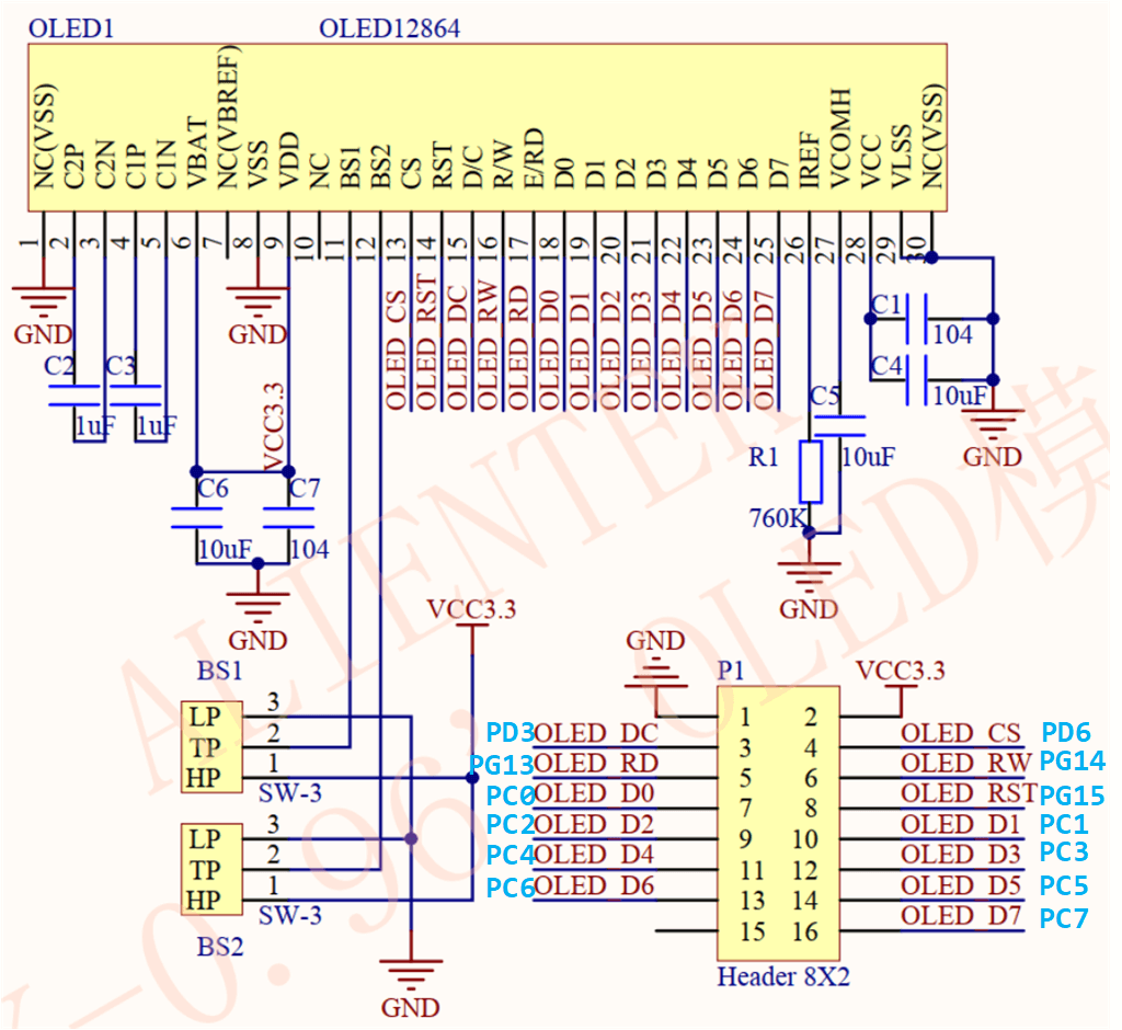
一、硬件原理图

(1)CS: OLED 片选信号,对应 PD6。
(2)WR:向 OLED 写入数据,对应 PG14。
(3)RD:从 OLED 读取数据,对应 PG13。
(4)D[7: 0]: 8 位双向数据线,对应 PC[7: 0] 。
(5)RST(RES):硬复位 OLED,对应 PG15。
(6)DC:命令/数据标志(0,读写命令; 1,读写数据),对应 PD3 。
二、STM32CubeMX配置
1. GPIO配置
由于我们是模拟8080时序,所以只需要配置GPIO就可以了。

2. 时钟树

三、OLED显示实现
1. 宏定义
//---------------------------OLED端口定义--------------------------
#define OLED_CS PDout(6)
#define OLED_RST PGout(15)
#define OLED_DC PDout(3)
#define OLED_WR PGout(14)
#define OLED_RD PGout(13)
#define DATAOUT(x) GPIOC->ODR=(GPIOC->ODR&0xff00)|(x&0x00FF); //输出,PC0~7,作为数据线
#define OLED_CMD 0 // 写命令
#define OLED_DATA 1 // 写数据
uint8_t OLED_GRAM[128][8]; // 定义显存大小,要放在.c源文件中2. 基本驱动函数实现
2.1 GPIO初始化
首先肯定是我们引脚的初始化啦,由于是模拟8080时序,所以都是设置成推挽输出模式。
void MX_GPIO_Init(void)
{
GPIO_InitTypeDef GPIO_InitStruct = {0};
/* GPIO Ports Clock Enable */
__HAL_RCC_GPIOC_CLK_ENABLE();
__HAL_RCC_GPIOD_CLK_ENABLE();
__HAL_RCC_GPIOG_CLK_ENABLE();
/*Configure GPIO pin Output Level */
HAL_GPIO_WritePin(GPIOC, GPIO_PIN_0|GPIO_PIN_1|GPIO_PIN_2|GPIO_PIN_3|GPIO_PIN_4|GPIO_PIN_5|GPIO_PIN_6|GPIO_PIN_7, GPIO_PIN_RESET);
HAL_GPIO_WritePin(GPIOD, GPIO_PIN_3|GPIO_PIN_6, GPIO_PIN_SET);
HAL_GPIO_WritePin(GPIOG, GPIO_PIN_13|GPIO_PIN_14|GPIO_PIN_15, GPIO_PIN_SET);
/*Configure GPIO pins : PC0 PC1 PC2 PC3 PC4 PC5 PC6 PC7 */
GPIO_InitStruct.Pin = GPIO_PIN_0|GPIO_PIN_1|GPIO_PIN_2|GPIO_PIN_3
|GPIO_PIN_4|GPIO_PIN_5|GPIO_PIN_6|GPIO_PIN_7;
GPIO_InitStruct.Mode = GPIO_MODE_OUTPUT_PP;
GPIO_InitStruct.Pull = GPIO_PULLUP;
GPIO_InitStruct.Speed = GPIO_SPEED_FREQ_HIGH;
HAL_GPIO_Init(GPIOC, &GPIO_InitStruct);
/*Configure GPIO pins : PD3 PD6 */
GPIO_InitStruct.Pin = GPIO_PIN_3|GPIO_PIN_6;
GPIO_InitStruct.Mode = GPIO_MODE_OUTPUT_PP;
GPIO_InitStruct.Pull = GPIO_PULLUP;
GPIO_InitStruct.Speed = GPIO_SPEED_FREQ_HIGH;
HAL_GPIO_Init(GPIOD, &GPIO_InitStruct);
/*Configure GPIO pins : PG13 PG14 PG15 */
GPIO_InitStruct.Pin = GPIO_PIN_13|GPIO_PIN_14|GPIO_PIN_15;
GPIO_InitStruct.Mode = GPIO_MODE_OUTPUT_PP;
GPIO_InitStruct.Pull = GPIO_PULLUP;
GPIO_InitStruct.Speed = GPIO_SPEED_FREQ_HIGH;
HAL_GPIO_Init(GPIOG, &GPIO_InitStruct);
}2.2 向SSD1306写一个字节数据

void OLED_WR_Byte(uint8_t dat,uint8_t cmd)
{
DATAOUT(dat); // STM32向D[7:0]输出数据
OLED_DC = cmd; // 选择写入命令还是写入数据
OLED_CS = 0; // 拉低片选,选中SSD1306
OLED_WR = 0; // 拉低写使能信号,准备开始写入数据到OLED
OLED_WR = 1; // 拉高写使能信号,将数据从D[7:0]写入OLED
OLED_CS = 1; // 拉高片选,结束读写
OLED_DC = 1; // 命令数据选择位置1
}**【函数说明】**向SSD1306写入一个字节的数据,可以是命令也可以是数据,毕竟命令其实也是特殊的数据嘛。
【参数说明】
- dat :要写入的数据/命令
- cmd :数据/命令标志。0,表示命令;1,表示数据;
2.3 更新GRAM数据到OLED
SSD1306是自带显存的,我们将数据写入到显存后,还需要将数据刷新到OLED显示,这样才能真正实现OLED的显示。

void OLED_Refresh_Gram(void)
{
uint8_t i, n;
for(i = 0; i < 8; i++)
{
OLED_WR_Byte (0xb0 + i, OLED_CMD); //设置页地址(0~7)
OLED_WR_Byte (0x00, OLED_CMD); //设置显示位置—列低地址
OLED_WR_Byte (0x10, OLED_CMD); //设置显示位置—列高地址
for(n = 0; n < 128; n++)
OLED_WR_Byte(OLED_GRAM[n][i], OLED_DATA);
}
}**【函数说明】**我们在 STM32F1内部定义了一个块GRAM:OLED_GRAM[128][8]此部分 GRAM 对应 OLED 模块上的 GRAM。在操作的时候,我们只要修改 STM32F1 内部的 GRAM 就可以了,然后通过 OLED_Refresh_Gram 函数把 GRAM 一次刷新到 OLED 的 GRAM 上。函数数先设置页地址,然后写入列地址(也就是纵坐标),然后从 0 开始写入 128 个字节,写满该页,最后循环把 8 页的内容都写入,就实现了整个从 STM32F1 显存到 OLED 显存的拷贝。
2.4 OLED清屏
void OLED_Clear(void)
{
uint8_t i, n;
for(i = 0; i < 8; i++)
{
for(n = 0; n < 128; n++)
{
OLED_GRAM[n][i] = 0X00;
}
}
OLED_Refresh_Gram();//更新显示
}【函数说明】清屏函数,清完屏,整个屏幕是黑色的!和没点亮一样。
2.5 SSD1306初始化
上边相关的驱动函数实现完毕后,就需要来初始化和配置我们的SSD1306啦:
//初始化SSD1306
void OLED_Init(void)
{
MX_GPIO_Init();
OLED_WR=1;
OLED_RD=1;
OLED_CS=1;
OLED_DC=1;
OLED_RST=0;
HAL_Delay(100);
OLED_RST=1;
OLED_WR_Byte(0xAE,OLED_CMD); //关闭显示
OLED_WR_Byte(0xD5,OLED_CMD); //设置时钟分频因子,震荡频率
OLED_WR_Byte(80,OLED_CMD); //[3:0],分频因子;[7:4],震荡频率
OLED_WR_Byte(0xA8,OLED_CMD); //设置驱动路数
OLED_WR_Byte(0X3F,OLED_CMD); //默认0X3F(1/64)
OLED_WR_Byte(0xD3,OLED_CMD); //设置显示偏移
OLED_WR_Byte(0X00,OLED_CMD); //默认为0
OLED_WR_Byte(0x40,OLED_CMD); //设置显示开始行 [5:0],行数.
OLED_WR_Byte(0x8D,OLED_CMD); //电荷泵设置
OLED_WR_Byte(0x14,OLED_CMD); //bit2,开启/关闭
OLED_WR_Byte(0x20,OLED_CMD); //设置内存地址模式
OLED_WR_Byte(0x02,OLED_CMD); //[1:0],00,列地址模式;01,行地址模式;10,页地址模式;默认10;
OLED_WR_Byte(0xA1,OLED_CMD); //段重定义设置,bit0:0,0->0;1,0->127;
OLED_WR_Byte(0xC0,OLED_CMD); //设置COM扫描方向;bit3:0,普通模式;1,重定义模式 COM[N-1]->COM0;N:驱动路数
OLED_WR_Byte(0xDA,OLED_CMD); //设置COM硬件引脚配置
OLED_WR_Byte(0x12,OLED_CMD); //[5:4]配置
OLED_WR_Byte(0x81,OLED_CMD); //对比度设置
OLED_WR_Byte(0xEF,OLED_CMD); //1~255;默认0X7F (亮度设置,越大越亮)
OLED_WR_Byte(0xD9,OLED_CMD); //设置预充电周期
OLED_WR_Byte(0xf1,OLED_CMD); //[3:0],PHASE 1;[7:4],PHASE 2;
OLED_WR_Byte(0xDB,OLED_CMD); //设置VCOMH 电压倍率
OLED_WR_Byte(0x30,OLED_CMD); //[6:4] 000,0.65*vcc;001,0.77*vcc;011,0.83*vcc;
OLED_WR_Byte(0xA4,OLED_CMD); //全局显示开启;bit0:1,开启;0,关闭;(白屏/黑屏)
OLED_WR_Byte(0xA6,OLED_CMD); //设置显示方式;bit0:1,反相显示;0,正常显示
OLED_WR_Byte(0xAF,OLED_CMD); //开启显示
OLED_Clear();
}**【函数说明】**上边的这些个命令,一般厂家都会提供给我们,我们直接按照厂家给的进行初始化就可以了。详细的每个命令可以干什么我们可以查看SSD1306_datasheet的9 COMMAND TABLE 和 10 COMMAND DESCRIPTIONS 。
2.6 OLED显示开关
2.6.1 开启OLED显示
//开启OLED显示
void OLED_Display_On(void)
{
OLED_WR_Byte(0X8D, OLED_CMD); //SET DCDC命令
OLED_WR_Byte(0X14, OLED_CMD); //DCDC ON
OLED_WR_Byte(0XAF, OLED_CMD); //DISPLAY ON
}2.6.2 关闭OLED显示
//关闭OLED显示
void OLED_Display_Off(void)
{
OLED_WR_Byte(0X8D, OLED_CMD); //SET DCDC命令
OLED_WR_Byte(0X10, OLED_CMD); //DCDC OFF
OLED_WR_Byte(0XAE, OLED_CMD); //DISPLAY OFF
}3. 应用函数的实现
应用函数主要是指完成画点,画线,显示字符等一系列的操作。不过这里暂时只写了一个画点函数,因为目前这一部分还不是重点,后边会再补充这里的笔记。
3.1 画点函数

OLED_GRAM[128][8]中的 128 代表列数(x 坐标),而 8 代表的是页, 每页又包含 8 行,总共 64 行(y 坐标)。从高到低对应行数从小到大。比如,我们要在 x=100, y=29 这个点写入1,则可以用这个语句实现:
OLED_GRAM[100][4]|=1<<2;所以一个通用的在点(x, y)置 1 表达式为 :
OLED_GRAM[x][7-y/8]|=1<<(7-y%8);// 其中 x 的范围为: 0~127; y 的范围为: 0~63。所以我们可以写出这样一个画点的函数:
//画点
void OLED_DrawPoint(uint8_t x, uint8_t y, uint8_t t)
{
uint8_t pos, bx, temp = 0;
if(x > 127 || y > 63)return; //超出范围了.
pos = 7 - y / 8;
bx = y % 8;
temp = 1 << (7 - bx);
if(t)OLED_GRAM[x][pos] |= temp;
else OLED_GRAM[x][pos] &= ~temp;
}**【函数说明】**这个函数可以实现在OLED的画一个点,其实就是点亮指定位置的像素点。
【参数说明】
- x :横向的坐标,可以看做是列坐标,就是在第几列,范围是0~127
- y :纵向的坐标,可以看做是行坐标,就是在第几行,范围是0~63
- t :表示是点亮这个点,还是说清空这个点(熄灭),1 表示填充;0表示清空。